
作者:维尔克斯 时间:2026-2-14 11:01:27
Opto Diode的雪崩光电二极管(APD)系列产品具备高增益、低噪声特性,覆盖400纳米至1700纳米的宽光谱范围。该系列采用气密密封设计,响应速度快,灵敏度优异,尤其适合激光雷达、激光测距、光谱分析、光通信及科研仪器等要求严苛的应用场景。产品提供铟镓砷(InGaAs)和硅(Si)两种材料版本,可分别满足可见光、近红外(NIR)及短波红外(SWIR)波段的探测需求。
ODD-APD-001铟镓砷雪崩光电探测器在在25°下的电光特性
|
铟镓砷雪崩光电二极管参数 |
测试条件 |
Min |
Typ |
Max |
单位 |
|
有效面积 |
Ø0.2mm |
|
0.031 |
|
mm2 |
|
响应波长 |
- |
900-1700nm |
|
||
|
铟镓砷雪崩光电二极管响应 |
λ=1550nm, M=1 |
0.9 |
1.0 |
- |
A/W |
|
VOP (Gain = M) |
λ=1550nm, M=10 |
32 |
- |
50 |
- |
|
λ=1550nm, M=30 |
34 |
- |
50 |
- |
|
|
暗电流,ld |
M=10 |
- |
8.0 |
50.0 |
nA |
|
M=30 |
- |
8.0 |
50.0 |
nA |
|
|
-3dB截止频率(带宽) |
M=10, RL=50W |
0.6 |
1.25 |
- |
GHz |
|
电容C |
M=10, f=1MHz |
- |
1.8 |
2.0 |
pF |
|
温度系数 |
IR=10uA,-55°C~ 85°C |
0.07 |
0.11 |
0.15 |
V/°C |
|
封装 |
- |
TO-46 |
- |
||
ODD-APD-001铟镓砷雪崩光电探测器热参数
|
铟镓砷雪崩光电探测器参数 |
Min |
MAX |
单位 |
|
低噪声APD供电电压 |
- |
VBR |
V |
|
工作温度 |
-40 |
+85 |
°C |
|
存储温度 |
-55 |
+125 |
°C |
|
正向电流IF |
- |
5 |
mA |
|
反向电流IR |
- |
3 |
mA |
|
引线焊接温度 |
- |
260 |
°C |
InGaSe雪崩光电二极管典型增益与反向偏置图
铟镓砷雪崩光电二极管典型暗电流与反向偏置的关系
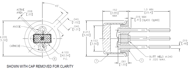
尺寸单位为英寸(公制)
铟镓砷雪崩光电探测器:高增益与低噪声性能特点
-高增益灵敏度
-低噪声性能
-快速响应
Opto Diode雪崩光电二极管APD应用领域
-激光雷达与激光测距
-光谱分析与科学仪器
-自动驾驶与安全传感
-自动驾驶车辆障碍物检测
-自由空间光学通信
-光学速度测量
|
InGaSe雪崩光电二极管型号/编号 |
零件编号 |
描述 |
有效面积 |
认证和合规性 |
|
ODD-APD-003-1550-IGA-T46 |
ODD-APD-001 |
铟镓砷雪崩光电二极管900nm-1700nm |
0.31mm2 |
ROHS Reach |
|
ODD-APD-020-905-SI-T46 |
ODD-APD-002 |
硅雪崩光电二极管 400-1100nm |
0.2mm2 |
ROHS Reach |
|
ODD-APD-020-1064-SI-T46 |
ODD-APD-003 |
硅雪崩光电二极管 400-1100nm |
0.2mm2 |
ROHS Reach |
ODD-APD-002硅雪崩光电二极管APD在25°下的电光特性
|
参数 |
测试条件 |
Min |
Typ |
Max |
单位 |
|
有效面积 |
Ø0.5mm |
|
0.2 |
|
mm2 |
|
响应波长 |
- |
400-1100nm |
|
||
|
响应 |
λ=905nm, M=1 |
0.5 |
0.55 |
- |
A/W |
|
VOP (Gain = M) |
λ=905nm, M=100 |
95 |
- |
209 |
V |
|
λ=905nm, M=30 |
34 |
- |
50 |
V |
|
|
暗电流,ld |
M=100 |
0.2 |
0.4 |
1.0 |
nA |
|
上升时间,ts |
λ=905nm, f=1MHz,RL=50Ω |
- |
0.5 |
1.5 |
nS |
|
电容C |
M=100, f=1MHz |
- |
1.2 |
|
pF |
|
温度系数 |
IR=10uA,-40°C~ 85°C |
|
0.9 |
|
V/°C |
|
反向击穿电压 |
IR=10µA |
100 |
- |
200 |
V |
|
封装 |
- |
TO-46 |
- |
||
ODD-APD-002硅雪崩光电二极管APD热参数
|
硅雪崩光电二极管APD参数 |
Min |
MAX |
单位 |
|
APD供电电压 |
- |
0.95*VBR |
V |
|
工作温度 |
-45 |
+85 |
°C |
|
存储温度 |
-45 |
+100 |
°C |
|
正向电流IF |
- |
5 |
mA |
|
引线焊接温度 |
- |
260 |
°C |
典型增益与反向偏置图
典型暗电流与反向偏置的关系
Opto diode雪崩光电二极管ODD-APD-003在在25°下的电光特性
|
InGaSe雪崩光电二极管参数 |
测试条件 |
Min |
Typ |
Max |
单位 |
|
有效面积 |
Ø0.5mm |
|
0.2 |
|
mm2 |
|
响应波长 |
- |
400-1100nm |
|
||
|
响应 |
λ=1064nm, M=1 |
0.3 |
0.36 |
- |
A/W |
|
VOP (Gain = M) |
λ=1064nm, M=100 |
332 |
- |
437 |
V |
|
暗电流,ld |
M=100 |
- |
5.0 |
12.0 |
nA |
|
上升时间,ts |
λ=1064nm, f=1MHz,RL=50Ω |
- |
2.0 |
- |
nS |
|
电容C |
M=100, f=1MHz |
- |
2.5 |
4.0 |
pF |
|
温度系数 |
IR=10uA,-40°C~ 85°C |
- |
2.4 |
3.0 |
V/°C |
|
反向击穿电压 |
IR=10µA |
350 |
- |
460 |
V |
|
封装 |
- |
TO-46 |
- |
||
Opto diode雪崩光电二极管ODD-APD-003热参数
|
参数 |
Min |
MAX |
单位 |
|
APD供电电压 |
- |
0.95*VBR |
V |
|
工作温度 |
-45 |
+85 |
°C |
|
存储温度 |
-45 |
+100 |
°C |
|
正向电流IF |
- |
5 |
mA |
|
引线焊接温度 |
- |
260 |
°C |
典型增益与反向偏置图
典型暗电流与反向偏置