
作者:维尔克斯 时间:2025-7-31 10:36:16
西格玛光机推出两大系列大视场高数值孔径物镜,分别覆盖可见光(400-700nm)和短波红外(900-1700nm)波段。该系列物镜提供1x、2.5x、5x、10x四种放大倍率,其φ33mm的大成像圈可完美适配大尺寸、高像素的工业相机。400-700nm物镜产品采用无限远校正平场复消色差技术,数值孔径(NA)最高达0.61,可见光波段分辨率低至0.45μm(550nm波长),SWIR波段焦深范围±1.7μm~±175μm。其中短波红外物镜SWIR系列特别推出针对0.52mm和0.775mm硅片厚度校正的专用型号(如PAL-10-SWIR-HRWF-Si0520),可透过硅片清晰观测里侧。900-1700nm物镜配套OUCI-SWIR-HRWF观察镜筒与WP系列玻片组件(WP-VIS/WP-SWIR),结合偏光滤光片可有效抑制同轴落射照明产生的眩光现象,为显微成像、半导体检测等场景提供专业光学解决方案。
大视场高数值孔径物镜(SWIR用)型号如下:
|
名称 |
倍率 |
焦距 f |
NA |
工作距离 WD |
分辨率(波长 1.3μm) |
焦深(波长 1.3μm) |
自重 |
实视野(成像圈 φ33mm ) |
|
M Plan Apo SWIR HRWF 1x |
1x |
200 mm |
0.061 |
12 mm |
10.7 μm |
±175 μm |
0.65 kg |
φ33 mm |
|
M Plan Apo SWIR HRWF 2.5x |
2.5x |
80 mm |
0.15 |
13.5 mm |
4.3 μm |
±29 μm |
0.53 kg |
φ13.2 mm |
|
M Plan Apo SWIR HRWF 5x |
5x |
40 mm |
0.31 |
10 mm |
2.1 μm |
±6.8 μm |
0.6 kg |
φ6.6 mm |
|
M Plan Apo SWIR HRWF 10x |
10x |
20 mm |
0.61 |
10 mm |
1.1 μm |
±1.7 μm |
0.72 kg |
φ3.3 mm |
-对应大尺寸(φ33mm)、高像素相机的大视场高数值孔径物镜,使用波长范围为900-1700nm(SWIR)。
-工作在900-1700nm时,可以在景深范围内获得相应的清晰像。
-PAL-10-SWIR-HRWF-Si0520和PAL-10-SWIR-HRWF-Si0775是用于透过硅片观察其里侧的物镜,分别针对厚度为0.52mm和0.775mm的硅片校正了像差。
-可另行选购对应大视场高数值孔径的观察镜筒(OUCI-SWIR-HRWF)。
-短波红外物镜在同轴落射照明下使用PAL-1-SWIR-HRWF或PAL-2.5-SWIR-HRWF时,可能会产生眩光现象。可以通过在物镜前端安装玻片组件(WP-SWIR1(*X)、WP-SWIR2(*X)),并在观察镜筒(OUCI-SWIR-HRWF)中安装偏光滤光片来减小眩光的影响。
西格玛光机大视场高数值孔径物镜产品名称与型号对应表
|
名称 |
型号 |
|
M Plan Apo HRWF 1x |
PAL-1-HRWF |
|
M Plan Apo HRWF 2.5x |
PAL-2.5-HRWF |
|
M Plan Apo HRWF 5x |
PAL-5-HRWF |
|
M Plan Apo HRWF 10x |
PAL-10-HRWF |
|
M Plan Apo SWIR HRWF 1x |
PAL-1-SWIR-HRWF |
|
M Plan Apo SWIR HRWF 2.5x |
PAL-2.5-SWIR-HRWF |
|
M Plan Apo SWIR HRWF 5x |
PAL-5-SWIR-HRWF |
|
M Plan Apo SWIR HRWF 10x |
PAL-10-SWIR-HRWF |
|
M Plan Apo SWIR HRWF SiO775 10x |
PAL-10-SWIR-HRWF-Si0520 |
|
M Plan Apo SWIR HRWF SiO520 10x |
PAL-10-SWIR-HRWF-Si0775 |
大视场高数值孔径物镜型号如下:
|
名称 |
倍率 |
焦距 f |
NA |
工作距离 WD |
分辨率(波长 550nm) |
焦深(波长 550nm) |
自重 |
实视野(成像圈 φ33mm ) |
|
M Plan Apo HRWF 1x |
1x |
200 mm |
0.061 |
12 mm |
4.5 μm |
±74 μm |
0.65 kg |
φ33 mm |
|
M Plan Apo HRWF 2.5x |
2.5x |
80 mm |
0.15 |
20.5 mm |
1.84 μm |
±12.2 μm |
0.49 kg |
φ13.2 mm |
|
M Plan Apo HRWF 5x |
5x |
40 mm |
0.31 |
10 mm |
0.9 μm |
±2.9 μm |
0.6 kg |
φ6.6 mm |
|
M Plan Apo HRWF 10x |
10x |
20 mm |
0.61 |
10 mm |
0.45 μm |
±0.74 μm |
0.72 kg |
φ3.3 mm |
-对应大尺寸(φ33mm)、高像素相机的大视场高数值孔径物镜
-可另行选购对应大视场高数值孔径的观察镜筒(OUCI-SWIR-HRWF)
-400-700nm物镜在同轴落射照明下使用PAL-1-HRWF或PAL-2.5-HRWF时,可能会产生眩光现象。可以通过在物镜前端安装玻片组件(WP-VIS(1X), WP-VIS(2.5X)),并在观察镜筒(OUCI-SWIR-HRWF)中安装偏光滤光片来减小眩光的影响。
-校正了可见光范围(400-700nm)内的色差。
-无限远校正的平场复消色差物镜。
大视场高数值孔径物镜(SWIR用,硅片厚度校正)
|
名称 |
倍率 |
焦距 f |
NA |
工作距离 WD |
分辨率(波长 1.3μm) |
焦深(波长 1.3μm) |
自重 |
实视野(成像圈 φ33mm ) |
|
M Plan Apo SWIR HRWF SiO775 10x |
10x |
20mm |
0.61 |
10mm(等效为空气计算) |
1.1μm |
±1.7μm |
0.72kg |
φ3.3mm |
|
M Plan Apo SWIR HRWF SiO520 10x |
10x |
20mm |
0.61 |
10mm(等效为空气计算) |
1.1μm |
±1.7μm |
0.72kg |
φ3.3mm |
-对应大尺寸(φ33mm)、高像素相机的大视场高数值孔径物镜,使用波长范围为900-1700nm(SWIR)。
-工作在900-1700nm时,可以在景深范围内获得相应的清晰像。
-900-1700nm物镜PAL-10-SWIR-HRWF-Si0520和PAL-10-SWIR-HRWF-Si0775是用于透过硅片观察其里侧的物镜,分别针对厚度为0.52mm和0.775mm的硅片校正了像差。可另行选购对应大视场高数值孔径的观察镜筒(OUCI-SWIR-HRWF)。在同轴落射照明下使用PAL-1-SWIR-HRWF或PAL-2.5-SWIR-HRWF时,可能会产生眩光现象。可以通过在物镜前端安装玻片组件(WP-SWIR1(*X)、WP-SWIR2(*X)),并在观察镜筒(OUCI-SWIR-HRWF)中安装偏光滤光片来减小眩光的影响。
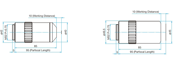
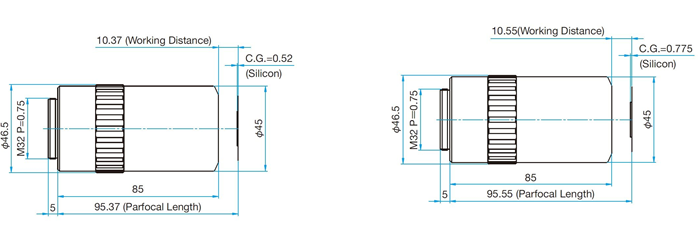
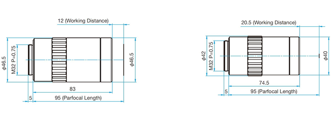
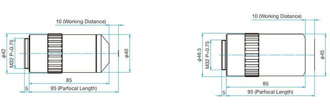
大视场高数值孔径物镜尺寸图汇总
PAL-1-HRWF,PAL-2.5-HRWF
PAL-5-HRWF,PAL-10-HRWF
PAL-1-SWIR-HRWF,PAL-2.5-SWIR-HRWF
PAL-5-SWIR-HRWF,PAL-10-SWIR-HRWF
PAL-10-SWIR-HRWF-Si0520,PAL-10-SWIR-HRWF-Si0775