
作者:维尔克斯 时间:2025-8-4 3:43:48
FemtoLux 3 是一款功能强大的飞秒光纤激光器,输出功率为3W。它允许用户在300飞秒到5皮秒之间调节脉冲宽度,在高达10MHz的频率下调节脉冲重复率,并能提供高达3微焦的单脉冲能量。这些高度可调的特性使其能够为透明材料加工、光聚合、生物成像和非线性显微镜等多种应用进行参数优化,既能用于科研探索,也能集成到工业生产线中。FemtoLux 3激光器可被用作宽场二次谐波 (SHG)显微镜的照明源,从而提供采集速度,宽场扫描比激光扫描扫描具有约40倍的优势。
FemtoLux飞秒光纤激光器在宽场成像中的应用:
单位时间内单位面积产生的SH光子数量可表示为:
其中,k为比例系数,χ-二阶有效表面磁化率,E-激光脉冲能量,S-照射面积,τ-激光脉冲持续时间,f-激光脉冲重复频率。像素亮度(光子数)为B= N·t·Sp,其中t为积分时间,Sp-像素面积。宽视场中的图像采集时间就是积分时间:Twf = twf。对于激光扫描,其为Ts = ts·S/Sp。假设像素大小相等,则可由式 (1) 直接推导出宽视场和激光扫描配置中相同亮度图像的采集时间比:
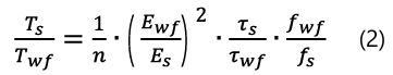
其中,s下标表示激光扫描,wf–宽场,T表示图像采集时间,E–激光脉冲能量,τ–激光脉冲持续时间,f–激光脉冲重复频率,n–图像像素数。激光扫描成像通常采用较高的脉冲重复频率,并采用相对较低的脉冲能量。典型值分别为0.1nJ和90MHz。另一方面,宽场装置中使用的 FemtoLux 3 飞秒激光器在1MHz脉冲重复频率下具有3μJ的脉冲能量。为简单起见,假设脉冲持续时间相等,将这些值与典型的512×512像素图像尺寸相结合,在图像采集速度方面,宽场比激光扫描具有约40倍的优势。
由于采集时间比与脉冲能量比呈二次方关系,因此高激光脉冲能量至关重要。可以通过计算高重复频率激光器的全脉冲能量(而非Ewf)的时间比来进一步证明这一点。平均功率为3W时,脉冲能量约为30nJ。将其代入(2)式可得Ts/Twf = 0.34。低激光脉冲能量下,宽场采集不仅没有优势,而且比激光扫描采集速度更慢。由于二次谐波(SHG)强度与激发能量密度E/S呈二次方关系,因此为了在更大的样品区域内达到足够的SHG能量密度,也需要高激光脉冲能量,这与快速机械XY扫描相结合,可以获取任意大样品区域的平铺图像。
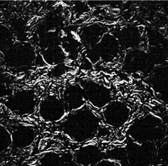
这种采集的最短时间是在确定所需积分时间的单幅图像尺寸与由扫描步数决定的扫描时间之间的最优值。测量了扫描时间与单幅图像尺寸的依赖关系,并根据选定尺寸和满足强度的图像的积分时间计算了所需的单幅图像积分时间。为了获得最短的总采集时间,图像尺寸必须为450×450 μm²,并以0.15s的积分时间采集(图2),这对于常规的科学级CCD或CMOS相机来说已经足够长的曝光时间了。总体而言,大面积样本的成像速度可达1mm²,平均仅需2s即可完成。
图1.小鼠皮肤样本450×450μm²面积胶原结构的SHG图像,积分时间为0.1秒
FemtoLux 3飞秒激光器高能激光脉冲光路设计考虑因素:
图1展示了宽场SHG显微镜的光学方案。为了在宽场中照亮样品,将扩展的准直激光束聚焦到物镜的后焦面上。为了利用时间聚焦 1) 实现光学切片,激光束还通过衍射光栅进行色散。这使得不同的光谱成分以不同的角度扩散,它们在物镜的后焦平面上聚焦成一个段而不是一个点,并且它们也以不同的角度从物镜中射出。因此,采用时间聚焦方案的副作用是,可以在不损坏用于激发和信号收集的物镜的情况下,使用高激光脉冲能量和高平均功率。
图2. Ekspla飞秒脉冲激光器在宽场SHG显微镜装置的光学方案
FemtoLux 3飞秒激光器的主要特点:
-最大输出功率3W,3μJ@1030nm;1.2W,1.2μJ@515nm
-提供高能量选项(10 kHz时为1mJ)
-<350fs-5ps可调脉冲宽度
-M²<1.2
-多功能激光控制和同步功能
-高达 10 MHz 的脉冲重复频率
-智能触发,可与多边形扫描仪和PSO同步操作
-即时幅度控制,全天候运行
-激光头被动风冷
Ekspla飞秒脉冲激光器在宽场成像中的应用,提高了图像采集速度,宽场比激光扫描具有约40倍的优势,为以微观分辨率快速成像宏观样品区域奠定了基础。