
作者:维尔克斯 时间:2025-9-3 10:00:33
法国PIEZOCONCEPT公司的TT系列高速压电偏摆台,凭借其0.01μRad的超高角度重复定位精度与高达2000Hz的谐振频率,成为半导体制造及光学高精度应用的理想选择。其卓越的高速性能,使其在粒子追踪、光镊、光束稳定及扫描显微镜等前沿科研与工业领域中表现出色。
TT系列压电快反镜参数如下:
|
|
TT1.5 |
TT1.10 |
TT2.5 |
TT2.10 |
|
运动范围(mRad) |
5 |
10 |
5 |
10 |
|
分辨率(uRad) |
0.005 |
0.01 |
0.005 |
0.01 |
|
底噪(uRad/sqrt(Hz)) |
0.0005 |
0.001 |
0.0005 |
0.001 |
|
线性度(典型值) |
0.02% |
|||
|
谐振频率(Hz) |
2000 |
1200 |
4000/2000 |
2200/1200 |
|
传感器类型 |
Silicon HR Sensor |
|||
|
控制器 |
标准/高速控制器 |
|||
|
水平最大负载(kg) |
0.2 |
|||
|
垂直最大负载(kg) |
0.2 |
|||
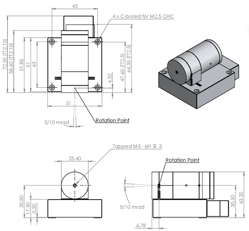
法国PIEZOCONCEPT的TT系列高速纳米压电偏转台一共有单旋转轴向TT1.5和TT1.10两款,二旋转轴向TT2.5和TT2.10两款。TT系列快速压电偏摆台的行程分为5 mRad和10 mRad,轴向控制数量相同的型号外形规格没有很大的差别。TT1.5,TT1.10,TT2.5,TT2.10这四款压电快反镜的底座的规格是相同的。PIEZOCONCEPT提供的公制面包板适配器可以将TT1.5,TT1.10,TT2.5,TT2.10这四款压电镜片偏摆台顺利的安装在标准的M6通孔光学平台上。
TT系列高速纳米压电偏转台的谐振频率相对较高,能达到kHz级别,因此PIEZOCONCEPT还为TT系列快速压电偏摆台提供高速控制器进行操控。TT系列压电快反镜的控制器可通过USB端口和模拟电压信号进行控制。二者可以快速切换。由于TT系列压电镜片偏摆台的标准负载相对较低,一般为小型的镜组或物体。因此PIEZOCONCEPT允许用户进行定制升级来提高载重能力。
