
作者:维尔克斯 时间:2025-11-28 10:13:51
OKEN凭借其领先的晶体生长技术,专业生产高性能碘化钠闪烁晶体。针对该晶体极强的吸湿性,我们掌握了核心的密封封装技术。我们实行从晶体生长到成品出货的一体化生产,并经过严格质检,确保产品以最高品质销往全球市场。OKEN闪烁体在国内外均获得良好声誉,其特性与高品质值得信赖。除单闪烁体外,我们还生产包括光电倍增管在内的可拆卸式2闪烁探测器以及一体式3闪烁探测器。
日本OHYO KOKEN KOGYO公司的碘化钠Nal闪烁晶体,密度3.67g/cm³,熔点 651℃,Tl含量约重量0.1%,最大荧光波长415nm,荧光衰减常数230ns,能量转换效率约 12% (21℃时),荧光的温度特性约+0.1 ~ -0.2%/℃,折射率1.85 (在最大荧光波长415nm处),415nm入射临界角34°(从 NaI(Tl) 到空气),入射临界角56°(从 NaI(Tl) 到硅油)。
自成立以来,大和光研工业株式会社一直致力于使用下拉法(即布里奇曼-斯托克巴杰法)制造各种晶体。本公司生长的晶体主要分为两大类:[闪烁体1]和[光学晶体]。OKEN品牌闪烁体用于测量辐射,为学术领域的研究开发以及工业发展做出了贡献。
除Nal(TI)碘化钠晶体外,我们还生产CsI(Tl)、CaF₂(Eu)和BaF₂闪烁体。
注:1闪烁体:一种利用闪烁现象的辐射探测器(即当辐射入射到特定的闪烁物质上时,该物质受辐射能量激发,在返回基态时发出光)。
2可拆卸式:指闪烁体和光电倍增管可以分离。
3一体式:指无需光学窗口即可产生高计数率,意味着闪烁光直接提供给光电倍增管。
辐射测量设备概要
当辐射通过碘化钠闪烁晶体的入射窗进入后,会被Nal(TI)碘化钠晶体吸收并转换为峰值波长为415nm的荧光。由于该光输出信号微弱,通常采用光电倍增管等器件将其转换并放大为电脉冲后进行计数。右图为其一个示例。(虚线部分需要进行遮光处理,以防止外部光线进入。)
Nal(TI)碘化钠晶体物理特性
用于NaI(Tl)闪烁体的荧光晶体是一种铊激活的碘化钠透明单晶,即NaI(Tl),该单晶的质量决定了闪烁性能。碘化钠闪烁晶体具有强吸湿性,用作闪烁体时必须存放在密封容器中。同时,它对热冲击和机械冲击非常敏感,必须避免周围温度的变化以及与硬物的碰撞。
碘化钠闪烁晶体物理特性表
|
特性 |
数值 |
|
|
密度 (g/cm³) |
3.67 |
|
|
熔点 (℃) |
651 |
|
|
Tl含量 (重量%) |
约 0.1 |
|
|
最大荧光波长 (nm) |
415 |
|
|
荧光衰减常数 (ns) |
230 |
|
|
能量转换效率 (%) |
约 12 (21℃时) |
|
|
荧光的温度特性 (%/℃) |
约 +0.1 ~ -0.2 |
|
|
折射率 (在最大荧光波长415nm处) |
1.85 |
|
|
入射临界角 (针对415nm波长) |
从 NaI(Tl) 到空气 |
34° |
|
从 NaI(Tl) 到硅油 |
56° |
|
γ射线吸收系数
γ射线以光子形式发射,产生于原子核的激发过程,其特性因原子核状态而异。其能量范围通常在几keV到几MeV之间,是在高速电子减速过程中产生的。γ射线与物质的相互作用有三种过程:光电效应、康普顿效应和电子对效应。
当初始强度为I0的γ射线穿过厚度为d cm的物质后,其强度I可表示为I=I0e−μd。透射率T则表示I/I0=e−μd。其中,μ为线性吸收系数,并可表示为μ=μ1+μ2+μ3。这里的μ1、μ2和μ3分别代表光电效应、康普顿效应和电子对效应的吸收系数。
光电倍增管的特性
光电倍增管在探测器中具有高增益、高速度和低噪声的倍增特性。充分利用这些特性,它可以对微弱光及高速现象进行高灵敏度探测。其一般特性包括光电面的波长依赖性。正如后文将要讨论的,NaI(Tl)的发射光谱在300-550纳米波段;因此,若光电面采用锑铯(Sb-Cs)或双碱材料,并且闪烁体的入射窗采用硼硅玻璃,即可实现高的转换效率,从而使信噪比(S/N)最大化。关于光电倍增管的更多详细信息,请咨询其生产厂商。
KOKEN碘化钠晶体发射光谱
KOKEN碘化钠晶体的发射光谱与光电倍增管的光谱响应如下图所示,它们具有相似的光谱形状。此外,该波长范围的光能被氧化镁等反射材料100%反射,并且已确认光学窗片不会吸收光线。
脉冲高度谱:能量分辨率计算
用于确认闪烁体性能的能量分辨率,通常使用Cs-137的γ射线能谱进行计算。如右图所示,取Cs-137全能吸收峰最大计数处的脉冲高度,计算该峰半高全宽与它的比值,并以百分比表示。关于测量方法的详细信息,请参考JIS标准。
不同γ射线能量对应的分辨率
能量分辨率是表征光输出对入射γ射线能量响应能力的数值。它随能量变化如下表所示。
|
同位素 |
能量 (keV) |
能量分辨率 (%) |
|
Ho-166 |
81 |
16.19 |
|
Lu-177 |
113 |
13.5 |
|
Te-123m |
159 |
11.5 |
|
Lu-177 |
208 |
10.9 |
|
Hg-203 |
279 |
10.14 |
|
Cr-51 |
320 |
9.89 |
|
Au-198 |
412 |
9.21 |
|
Be-7 |
478 |
8.62 |
|
Cs-137 |
662 |
7.7 |
|
Mn-54 |
835 |
7.26 |
|
Bi-207 |
1064 |
6.56 |
|
Zn-65 |
1116 |
6.29 |
|
Na-22 |
1275 |
6.09 |
|
Y-88 |
1836 |
5.45 |
(数据来源:G. G. Kelly 等人)
铊浓度与脉冲高度
铊在KOKEN碘化钠晶体中是影响闪烁体性能的一个因素,其分布越均匀,分辨率越高。浓度的差异可能导致温度依赖性和余辉现象,因此铊浓度会根据实验目标进行控制。
标准型号
标准型NaI(Tl)闪烁体是将NaI(Tl)晶体加工成圆柱形,并封装在铝壳等容器内。测量时,辐射从圆柱的端面或侧面入射,光信号则从另一端的光学窗口输出。
由于其形状,标准型闪烁体能够产生均匀的光输出,并具有最高的能量分辨率;因此,它被广泛用于γ射线的闪烁测量和闪烁谱仪探测。(作为低本底产品,也可选用无钾石英窗。)
A型/B型规格表
|
型号 |
晶体尺寸 (直径 D × 高度 H):毫米 |
|
2A2 / 2B2 |
12.7 (½") × 12.7 (½") |
|
2A4 / 2B4 |
12.7 (½") × 25.4 (1") |
|
4A4 / 4B4 |
25.4 (1") × 25.4 (1") |
|
6A4 / 6B4 |
38.1 (1½") × 25.4 (1") |
|
6A6 / 6B6 |
38.1 (1½") × 38.1 (1½") |
|
6A8 / 6B8 |
38.1 (1½") × 50.8 (2") |
|
7A8 / 7B8 |
44.5 (1¾") × 50.8 (2") |
|
8A4 / 8B4 |
50.8 (2") × 25.4 (1") |
|
8A6 / 8B6 |
50.8 (2") × 38.1 (1½") |
|
8A8 / 8B8 |
50.8 (2") × 50.8 (2") |
|
8A12 / 8B12 |
50.8 (2") × 76.2 (3") |
|
12A4 / 12B4 |
76.2 (3") × 25.4 (1") |
|
12A8 / 12B8 |
76.2 (3") × 50.8 (2") |
|
12A12 / 12B12 |
76.2 (3") × 76.2 (3") |
C型/D型规格表
|
型号 |
晶体尺寸 (直径 D × 高度 H):毫米 |
|
14C8 / 14D8 |
88.9 (3½") × 50.8 (2") |
|
14C12 / 14D12 |
88.9 (3½") × 76.2 (3") |
|
14C14 / 14D14 |
88.9 (3½") × 88.9 (3½") |
|
16C8 / 16D8 |
101.6 (4") × 50.8 (2") |
|
16C12 / 16D12 |
101.6 (4") × 76.2 (3") |
|
16C16 / 16D16 |
101.6 (4") × 101.6 (4") |
|
20C8 / 20D8 |
127.0 (5") × 50.8 (2") |
|
20C12 / 20D12 |
127.0 (5") × 76.2 (3") |
|
20C16 / 20D16 |
127.0 (5") × 101.6 (4") |
|
20C20 / 20D20 |
127.0 (5") × 127.0 (5") |
我们亦可承接生产上文所列型号之外的闪烁体。请告知您对闪烁体尺寸等的要求。
图中数字标示说明:1. 光学窗2. 闪烁晶体3. 反射材料4. 外壳
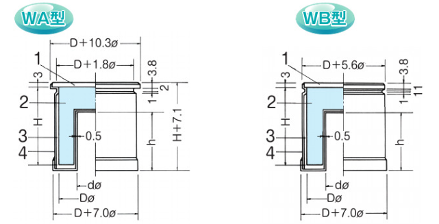
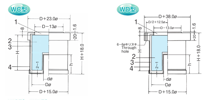
井型NaI(Tl)闪烁体
井型NaI(Tl)闪烁体是在圆柱形NaI(Tl)晶体上加工出一个凹陷的"井"。测量时,将样品放入此井内,光信号则从另一端的光学窗口输出。
WA型/ WB型规格表
|
型号 |
晶体尺寸 (直径 D × 高度 H):毫米 |
标准井型外壳尺寸 (d₀ × h):毫米 |
|
6WA6 / 6WB6 |
38.1 (1½") × 38.1 (1½") |
16.6φ × 27.0 |
|
7WA8 / 7WB8 |
44.5 (1¾") × 50.8 (2") |
16.6φ × 39.3 |
|
8WA8 / 8WB8 |
50.8 (2") × 50.8 (2") |
26.1φ × 39.3 |
|
12WⅠA12 / 12WⅠB12 |
76.2 (3") × 76.2 (3") |
16.6φ × 52 |
|
12WⅡA12 / 12WⅡB12 |
76.2 (3") × 76.2 (3") |
26.1φ × 52 |
WC型/ WD型规格表
|
型号 |
晶体尺寸 (直径 D × 高度 H):毫米 |
井型外壳尺寸:毫米 |
|
14WC14 / 14WD14 |
88.9 (3½") × 88.9 (3½") |
* 可按要求定制 |
|
16WC16 / 16WD16 |
101.6 (4") × 101.6 (4") |
* 可按要求定制 |
|
18WC18 / 18WD18 |
114.3 (4½") × 114.3 (4½") |
* 可按要求定制 |
|
20WC20 / 20WD20 |
127.0 (5") × 127.0 (5") |
* 可按要求定制 |
图中数字标示说明:1光学窗 (Window)2闪烁晶体 (Scintillation crystal)3反射材料 (Reflective material)4外壳 (Case)
软X射线(低能γ射线)盘型
软X射线NaI(Tl)闪烁体将一个盘状晶体封装在环形铝壳内。其入射窗采用铍或铝箔。该型号用于测量低能量范围的软X射线。
|
型号 |
晶体尺寸 (直径 D × 高度 H):毫米 |
|
4×20 |
25.4 (1") × 2 |
|
4×30, 4×40, 4×50, 4×60 |
25.4 (1") × 3, 4, 5, 6 |
|
5×20 |
31.8 (1¼") × 2 |
|
5×30, 5×40, 5×50, 5×60 |
31.8 (1¼") × 3, 4, 5, 6 |
|
6×20 |
38.1 (1½") × 2 |
|
6×30, 6×40, 6×50, 6×60 |
38.1 (1½") × 3, 4, 5, 6 |
|
7×30 |
44.5 (1¾") × 3 |
|
7×40, 7×50, 7×60 |
44.5 (1¾") × 4, 5, 6 |
|
8×30 |
50.8 (2") × 3 |
|
8×40, 8×50, 8×60 |
50.8 (2") × 4, 5, 6 |
|
12×50 |
76.2 (3") × 5 |
|
12×60, 12×70 |
76.2 (3") × 6, 7 |
球形闪烁体
标准型闪烁体已被广泛应用于环境辐射测量,而球形闪烁体因其能够均匀测量来自任何方向的辐射,有时也会被采用。如下图所示,光信号可从安装于球体部分的光学窗口处获取。
|
型号 |
晶体尺寸 (球直径 × 光学窗直径): 毫米 |
|
8E4 |
50.8 (2") × 25.4 (1") |
|
12E6 |
76.2 (3") × 38.1 (1½") |
耐热防潮型号
传统的NaI(Tl)闪烁体仅能耐受最高50℃的温度,但我们通过对外壳结构的改进,成功研制出了能够长期稳定工作的耐热防潮型闪烁体。当与光导等配件结合使用时,其工作温度最高可达120℃,使得在以往难以进行测量的高温环境下进行测量成为可能。
|
型号 |
晶体尺寸 (直径 D × 高度 H): 毫米 |
|
8HT8 |
50.8 (2") × 50.8 (2") |
|
12HT12 |
76.2 (3") × 76.2 (3") |
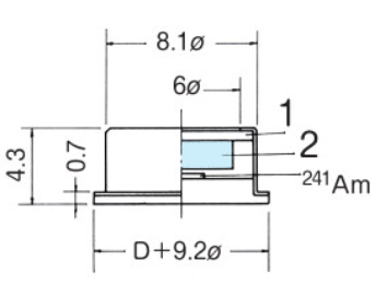
Am-241 光脉冲器
我们的光脉冲器由将镅电镀沉积在铂上制成的放射源、NaI(Tl)晶体构成。它采用特殊外壳设计,能够长期稳定工作。它也可与其他探测器组合,用于系统校准。
Am-241光脉冲器规格
|
型号 |
晶体尺寸 (直径 D × 高度 H) : mm |
|
50P15 |
5 × 1.5 |
注:除NaI(Tl)外,闪烁体也可选择CaF₂(Eu)或塑料闪烁体。
可拆卸式闪烁探测器
可拆卸式闪烁探测器通过将闪烁体与光电倍增管组合装配而成。该结构允许用户根据需求轻松更换闪烁体或光电倍增管。
|
型号 |
晶体尺寸 (直径 D × 高度 H): 毫米 |
光电倍增管 (PMT) 尺寸 |
|
44/DM |
25.4 (1") × 25.4 (1") |
1½英寸Φ、2英寸Φ |
|
88/DM |
50.8 (2") × 50.8 (2") |
2英寸Φ |
|
1212/DM |
76.2 (3") × 76.2 (3") |
3英寸Φ |
|
2020/DM |
127.0 (5") × 127.0 (5") |
5英寸Φ |
|
126E/DM |
76.2 (3") 球形 |
2英寸Φ |
一体式闪烁探测器
一体式闪烁探测器通过将NaI(Tl)晶体与光电倍增管直接连接并封装于单一外壳内构成,可将入射辐射产生的闪烁光直接转换为电脉冲输出。
该型探测器不使用光学窗,闪烁体产生的光直接进入光电倍增管;因此,它避免了光学窗导致的反射损失,并移除了背景噪声。与可拆卸式闪烁探测器相比,这提高了测量精度。
一体式闪烁探测器规格表
|
型号 |
晶体尺寸 (直径 D × 高度 H): 毫米 |
光电倍增管 (PMT) 尺寸 |
|
44/IT |
25.4 (1") × 25.4 (1") |
1½英寸Φ |
|
88/IT |
50.8 (2") × 50.8 (2") |
2英寸Φ |
|
1212/IT |
76.2 (3") × 76.2 (3") |
3英寸Φ |
咨询与订购
(1) 对于标准型及井型闪烁体,请指明晶体尺寸和型号。
(2) 对于软X射线盘型闪烁体,请指明晶体尺寸、入射窗材料(铝或铍)及其厚度。
(3) 如有特殊形状、材料等需求,敬请垂询。
(4) 对于闪烁探测器(可拆卸式或一体式),请指明所需的闪烁体类型。请同时指明光电倍增管的型号以及是否需要μ金属屏蔽。
(5) 关于NaI(Tl)以外的闪烁体(荧光体),我们亦可提供,欢迎随时咨询。
(6) 标准型闪烁体符合JIS标准 (JIS Z 4321)。
NaI(Tl)及其他闪烁体物理性质对照表
|
材料 |
化学式 |
密度g/cm2 |
折射率λ em |
硬度Moh |
吸湿性 |
晶体结构 |
熔点℃ |
|
NaI(Tl) |
NaI(Tl) |
3.67 |
1.85 |
2 |
强 |
立方 |
651 |
|
CsI(Tl) |
CsI(Tl) |
4.51 |
1.79 |
2 |
轻微 |
立方 |
621 |
|
CsI(Na) |
CsI(Na) |
4.51 |
1.84 |
2 |
强 |
立方 |
621 |
|
CsI(CO₃) |
CsI(CO₃) |
4.51 |
1.84 |
2 |
强 |
立方 |
621 |
|
CsI(Pure) |
CsI |
4.51 |
1.95 |
2 |
轻微 |
立方 |
621 |
|
CaF₂(Eu) |
CaF₂(Eu) |
3.18 |
1.44 |
4 |
否 |
立方 |
1373 |
|
BaF₂ |
BaF₂ |
4.89 |
1.49 |
3 |
否 |
立方 |
1280 |
|
CeF₃ |
CeF₃ |
6.16 |
1.68 |
- |
否 |
立方 |
1460 |
|
BGO |
Bi₄Ge₃O₁₂ |
7.13 |
2.15 |
5 |
否 |
立方 |
1050 |
|
YAG |
Y₃Al₅O₁₂(Ce) |
4.57 |
1.82 |
8.5 |
否 |
立方 |
1970 |
|
YAP |
YAlO₃(Ce) |
5.4 |
1.95 |
8.5 |
否 |
菱形 |
1875 |
|
GSO |
Gd₂SiO₅(Ce) |
6.71 |
1.85 |
5.7 |
否 |
单斜 |
1950 |
|
CWO |
CdWO₄ |
7.9 |
2.25 |
4.0-4.5 |
否 |
单斜 |
1300 |
|
PWO |
PbWO₄ |
8.28 |
2.16 |
3.5-4.0 |
否 |
四方 |
930 |
|
LuAG(Ce) |
Lu₃Al₅O₁₂(Ce) |
6.71 |
1.84 |
8.4 |
否 |
立方 |
2020 |
|
LuAG(Pr) |
Lu₃Al₅O₁₂(Pr) |
6.73 |
2.03 |
7.5 |
否 |
立方 |
2043 |
|
GAGG |
Gd₃Al₂Ga₃O₁₂(Ce) |
6.63 |
1.93 |
- |
否 |
立方 |
1850 |
|
LYSO |
Lu₁.₈Y₀.₂SiO₅(Ce) |
7.2 |
1.82 |
5.8 |
否 |
单斜 |
2320 |
|
YSO |
Y₂SiO₅(Ce) |
4.5 |
1.8 |
- |
否 |
单斜 |
2273 |
|
LSO |
Lu₂SiO₅(Ce) |
7.4 |
1.82 |
5.8 |
否 |
单斜 |
2050 |
|
LaBr₃ |
LaBr₃(Ce) |
5.29 |
1.8 |
- |
强 |
立方 |
1135 |
|
CeBr₃ |
CeBr₃ |
5.07 |
2.09 |
- |
强 |
六方 |
722 |
|
SrI |
SrI₂(Eu) |
4.59 |
1.9 |
- |
强 |
正交 |
538 |
|
CLYC |
Cs₂LiYCl₆(Ce) |
3.31 |
1.81 |
- |
强 |
- |
640 |
|
Plastic |
NE102A |
1.03 |
1.58 |
- |
否 |
- |
75 |
|
ZnS |
ZnS(Ag) |
4.09 |
2.36 |
- |
否 |
- |
1850 |
|
LiF(W) |
LiF(W) |
2.64 |
1.4 |
3 |
否 |
立方 |
1133 |
|
6LiI(Eu) |
6LiI(Eu) |
4.08 |
1.96 |
2 |
强 |
立方 |
719 |
|
Stilbene |
C14H12 |
1.22 |
1.64 |
- |
- |
- |
124 |
NaI(Tl)及其他闪烁体发光特性对照表
|
材料 |
积分光输出% Nal:TI |
波长nm |
衰减常数ns |
余辉% at 6ms |
辐射长度cm |
300K时的光子产额103Ph/Mev |
|
NaI(Tl) |
100 |
415 |
230 |
0.5-5 |
2.9 |
38 |
|
CsI(Tl) |
45 |
565 |
1000 |
<2 |
1.86 |
52 |
|
CsI(Na) |
85 |
420 |
630 |
- |
- |
39 |
|
CsI(CO₃) |
60 |
405 |
20000 |
0.06 |
- |
- |
|
CsI(Pure) |
6 |
315 |
16 |
- |
- |
2.3 |
|
CaF₂(Eu) |
50 |
435 |
940 |
<0.3 |
3.05 |
23 |
|
BaF₂ |
5/16 |
210/310 |
0.6/620 |
- |
2.03 |
1.8/10 |
|
CeF₃ |
7 |
300/340 |
5/30 |
- |
1.68 |
4.4 |
|
BGO |
12 |
480 |
300 |
<0.005 |
1.11 |
8 |
|
YAG |
15 |
550 |
70 |
<0.005 |
3.5 |
35 |
|
YAP |
40 |
370 |
28 |
<0.005 |
2.67 |
25 |
|
GSO |
20-25 |
430 |
50-60 |
<0.005 |
1.38 |
8-10 |
|
CWO |
30-40 |
470/540 |
20000/5000 |
0.1 |
1.06 |
12-15 |
|
PWO |
0.26 |
430/520 |
2.1/7.5/26 |
- |
0.85 |
22.6-25.6 |
|
LuAG(Ce) |
20 |
535 |
70 |
- |
1.3 |
25 |
|
LuAG(Pr) |
36 |
310 |
20 |
- |
1.41 |
15-18 |
|
GAGG |
- |
520 |
88 |
- |
- |
65 |
|
LYSO |
75 |
420 |
40 |
- |
1.15 |
30 |
|
YSO |
30-45 |
420 |
50-70 |
- |
2.75 |
12 |
|
LSO |
40-75 |
420 |
40 |
- |
1.14 |
27 |
|
LaBr₃ |
130 |
380 |
26 |
- |
1.8 |
63 |
|
CeBr₃ |
- |
380 |
19 |
- |
- |
60 |
|
SrI |
- |
435 |
1200 |
- |
- |
115 |
|
CLYC |
- |
370 |
1/50/1000 |
- |
3.42 |
20 |
|
Plastic |
29 |
423 |
2.4 |
- |
- |
10 |
|
ZnS |
130 |
450 |
200 |
70000 |
- |
- |
|
LiF(W) |
3.5 |
430 |
40000 |
- |
- |
- |
|
6LiI(Eu) |
30-35 |
470 |
1400 |
- |
- |
11 |
|
Stilbene |
- |
390 |
3.5 |
- |
- |
14 |