

高稳定反射镜架适用于安装不同尺寸(如半英寸至2英寸)的反射镜。这类镜架,特别是低温漂的,常用不锈钢或青铜制造。无论是青铜还是不锈钢的低变形镜架,都因其稳定性,在玻璃切割、半导体激光及超快激光切割等行业中有广泛应用。人们常说的低漂移调整架,其实也指这些高稳定、低漂移的不锈钢或青铜镜架,有时也被称作高稳镜架或铜反射镜架。
所属品牌: 维尔克斯光电
负责人:包程鑫
联系电话:13417596712 电子邮箱:cxbao@welloptics.cn
低变形、低温漂,青铜镜架,高稳镜架
高稳定反射镜架适用于安装不同尺寸(如半英寸至2英寸)的反射镜。这类镜架,特别是低温漂的,常用不锈钢或青铜制造。无论是青铜还是不锈钢的低变形镜架,都因其稳定性,在玻璃切割、半导体激光及超快激光切割等行业中有广泛应用。人们常说的低漂移调整架,其实也指这些高稳定、低漂移的不锈钢或青铜镜架,有时也被称作高稳镜架或铜反射镜架。
低漂移不锈钢镜架由于材质是不锈钢,所以具有较高的屈服强度和抗拉强度,能承受较大负载而不易变形。青铜低漂移镜架用到的材质是青铜,由于铜的热膨胀系数低于铝,从而使其在温度波动期间更稳定,因此形成高稳定性镜架。
低漂移调整架型号
|
低温漂反射镜架型号 |
低温漂反射镜架材质 |
镜片尺寸mm |
安装镜片厚度mm |
|
HMM-SUS-1A-5 |
不锈钢 |
25.4 |
5 |
|
HMM-Cu-1A-5 |
铜 |
25.4 |
5 |
|
HMM-Cu-1A-6 |
铜 |
25.4 |
6 |
|
HMM-Cu-0.5A-6 |
铜 |
12.7 |
5 |
|
HMM-Cu-0.5A-5 |
铜 |
12.7 |
5 |
|
HMM-Cu-2A-6 |
铜 |
50.8 |
6 |
|
HMM-Cu-2A-5 |
铜 |
50.8 |
6 |
青铜低漂移镜架型号规格有12.7、25.4和50.8 mm,厚度有5 mm和6 mm。低变形不锈钢镜架目前开模的只有1英寸的,厚度为6 mm。低漂移调整架型号只有7种,其中铜反射镜架占了6种,而低漂移不锈钢镜架只有1种型号。铜反射镜架和低变形不锈钢镜架外观上几乎一样,为了区别两种镜架,低变形不锈钢镜架会刻有SUS。
高稳定反射镜架除了标准品外,有批量需求的可以接受定制。
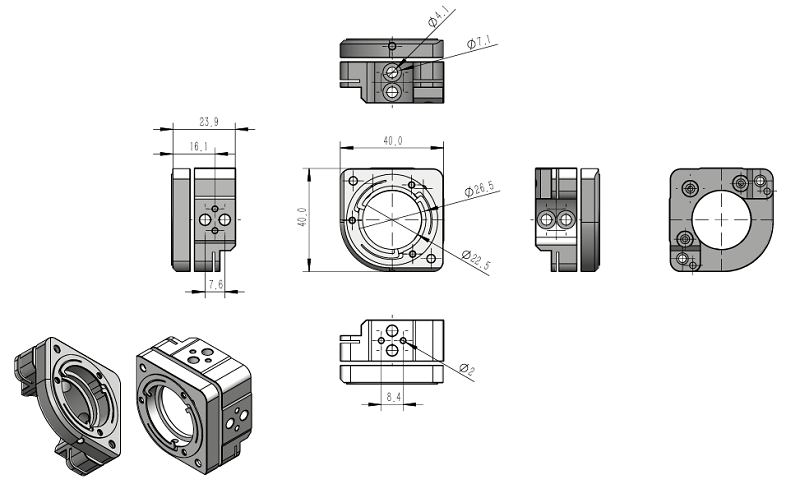
低漂移不锈钢镜架图纸
经过热波动后,大多数高性能反射镜架,虽然会恢复到原始对准状态的几个微弧度内,但在高温下会出现严重的未对准状态。由于HMM-Cu-1A-6青铜低漂移镜架的热变形是可以表征的,青铜低变形镜架并且可以通过热膨胀补偿来控制这些变形,因此青铜镜架,高稳镜架的热变形是几乎可以消除的。
高稳定反射镜架应用领域
-玻璃切割
-半导体激光设备
-精密打标和钻孔
-超快激光切割
-半导体激光设备
低变形不锈钢镜架和青铜低变形镜架特点
-青铜镜架低变形、低温漂
-材质有不锈钢和青铜
-高稳定性
-尺寸12.7、25.4、50.8mm
-青铜镜架导热快