
作者:维尔克斯 时间:2025-8-21 11:16:58
美国Microwave Photonic Systems (MPS) 推出的MP-128RX系列,是一款高性能的射频/光纤接收器。该系列产品可在1.0 MHz至3500 MHz的宽频范围内,将光信号高效转换为射频信号(O/E转换)。其紧凑的机械封装设计专为OEM集成而优化,能无缝嵌入传统的射频光纤传输系统与设备中,是行业领先的解决方案。射频接收器系列可以在独特的射频光纤传输系统频率范围内进行优化,如射频接收器选型指导部分所示。通过使用集成RF衰减器可以实现进一步的射频光纤传输系统优化,以满足几乎任何应用。
MP-128 RX 3.5GHz 射频模拟光纤接收
|
光学参数 |
|||||
|
参数 |
最小值 |
典型值 |
最大值 |
单位 |
备注 |
|
工作波长 |
1200 |
1600 |
nm |
||
|
响应 |
0.85 |
A/W |
@1310 |
||
|
0.92 |
A/W |
@1550 |
|||
|
光输出功率 |
5 |
mW |
|||
|
光连接器类型 |
FC/APC,SC/APC,PC/APC,LC/APC,AVIM |
其他可用 |
|||
|
光回波损耗 |
-40 |
dB |
|||
|
电气 - 射频参数 |
|||||
|
参数 |
最小值 |
典型值 |
最大值 |
单位 |
备注 |
|
频率响应 |
1 |
3500 |
MHz |
||
|
输入/输出射频阻抗 |
50 |
Ohms |
|||
|
输入/输出回波损耗 |
-16 |
-20 |
dB |
||
|
射频连接器类型 |
SMA(f)母头 |
其他可用 |
|||
|
射频链路增益 |
-30 |
0 |
20 |
dB |
可提供更高链路增益 |
|
射频链路平坦度 |
±2 |
dB |
1MHz至3.5GHz带宽 |
||
|
射频链路噪声系数 |
16 |
30 |
dB |
||
|
输入 1dB 压缩点 |
10 |
dBm |
IP1dB |
||
|
输入三阶压缩点 |
23 |
dBm |
IIP3 |
||
|
无杂散动态范围 |
108 |
110 |
dB*Hz^(2/3) |
SFDR |
|
|
机械和环境参数 |
|||||
|
参数 |
最小值 |
典型值 |
最大值 |
单位 |
备注 |
|
电源 |
8 |
15 |
24 |
VDC |
最大 1.4 瓦特 |
|
工作温度 |
-20 |
60 |
°C |
||
|
存储温度 |
-45 |
85 |
°C |
||
|
工作湿度 |
95 |
% |
不凝结 |
||
|
工作海拔 |
50,000 |
ft |
|||
|
尺寸 |
2.35×0.75×0.43 / 65×19×12mm |
in/mm |
根据外壳样式变化 |
||
|
本地报警 |
开集电极 |
||||
|
电源 & I/O 连接器 |
焊接针脚 |
||||
美国Microwave Photonic System的MP-128RX射频接收器的使用,结合适当的MP-128TX RF/光纤发射机,形成了一个宽带链路,能够支持通过单模光纤传输RF信号,用于各种通信应用。美国Microwave Photonic Systems射频光纤接收器链路应用包括天线远程、时间和频率参考分布、射频延迟线、遥测跟踪和点对点射频传输。接收器采用与宽带RF后置放大器集成的高灵敏度、低失真PIN光电二极管检测器。美国MPS射频光纤接收器单元为用户提供了一个开放收集器摘要状态引脚。
MP-128RX射频光纤接收器应用
-宽带射频传输
-微波天线拆卸
-L波段卫星通信链路
-GPS天线拆卸
-无线/PCS
-相控阵天线系统
-OEM集成
MP-128RX射频光纤接收器特征
-1.0MH至3.5GH带宽
-CWDM兼容
-低噪声后置放大器
-高动态范围
-超紧凑型外形
-可配置设计
-多种电源和安装选项
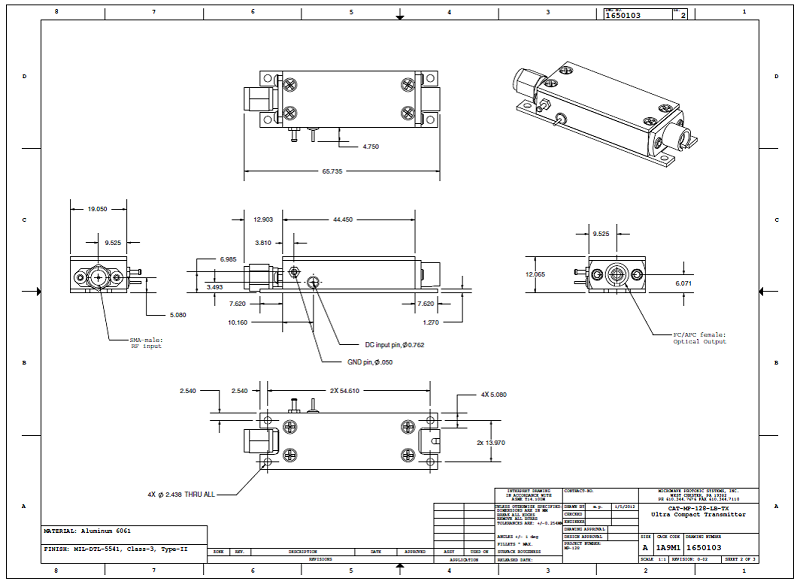
MP-128RX射频光纤接收器图纸
CaseTyle1
CaseTyle2
美国MPS射频光纤接收器选购指南
|
MP128RX |
F |
W |
G |
PT |
CN |
CT |
|
频率范围(F) |
波长(W) |
增益(G) |
|
A = 1.0MHz至300MHz |
1 = 1200nm-1600nm |
N20 = -20dB |
|
B = 50MHz至1000MHz |
|
N10 = -10dB |
|
D = 100MHz至2500MHz |
|
P00 = 0dB |
|
E = 100MHz至3000MHz |
|
P10 = 10dB |
|
F = 500MHz至3500MHz |
|
P20 = 20dB |
|
G = 50MHz至3500MHz |
|
XXX = 定制 |
|
H = 50MHz至3000MHz |
|
|
|
光纤尾纤类型(PT) |
连接器类型(CN) |
外壳类型(CT) |
|
1 = 0.5米,900u松套管尾纤 |
0 = 无 |
1 = CaseStyle1 |
|
2 = 18英寸,1.8mm凯夫拉增强尾纤 |
2 = FC/APC |
2 = CaseStyle2 |
|
3 = 10英寸,1.8mm凯夫拉增强尾纤 |
4 = SC/APC |
|
|
4 = 24英寸,1.8mm凯夫拉增强尾纤 |
6 = 特殊 |
|
|
5 = 24英寸,900u松套管尾纤 |
7 = LC/APC |
|
|
NF = 无,仅限Case2 |
8 = AVIM/APC |
|
|
XX = 定制 |
|
|
示例:PN: MP128RX-E-1-P00-3-2-1
100至3000MHz频率范围;1200至1600 nm 波长;0 dB增益;12 = 18英寸长,1.8mm凯夫拉增强尾纤;FC/APC接头;CaseTyle 1外壳。