
作者:维尔克斯 时间:2025-9-2 10:22:13
针对高精度检测与加工领域对小型化、高集成度设备的迫切需求,法国Piezoconcept公司推出了LFS系列紧凑型通孔压电扫描台。该系列专为OEM应用设计,通过其精密的中空结构,可有效优化测试系统性能。LFS系列包含两个型号:LFS2提供XY两轴精密定位,而LFS3则升级为XYZ三轴控制,以满足不同维度的应用需求。
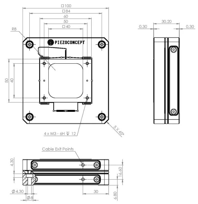
Piezoconcept的LFS系列紧凑型通孔压电扫描台的XY行程为100×100 um,Z轴向为20um,中心通孔的大小为40×40 mm,能满足大部分需要使用小型中空纳米定位平台的应用需求。LFS系列的外形体积也相对于其他精密中空型纳米压电平台更加小巧。LFS2和LFS3的底座投影面积均为10×10 cm。LFS2的Z轴向高度为30.2 mm,而LFS3的Z轴向高度为50 mm。
LFS系列精密中空型纳米压电平台参数如下:
|
|
LFS2 |
LFS3 |
|
行程(um) |
100×100 um |
100×100×20 um |
|
分辨率(nm) |
0.1 |
20/0.1(XY/Z) |
|
噪声基底(典型值nm) |
0.01 |
0.01/0.002 |
|
重复定位精度(nm) |
0.2 |
0.2/0.04(XY/Z) |
|
线性度(典型值) |
0.02% |
|
|
谐振频率(Hz) |
400/300(X/Y) |
350/250/2700 |
|
传感器类型 |
Silicon HR Sensor |
|
|
水平最大负载(kg) |
1 |
|
|
垂直最大负载(kg) |
0.5 |
|
LFS系列紧凑型通孔压电扫描台通孔区域周围有适配的Piezoconcept样品夹,用户可在下单时选择配置。此外LFS系列小型中空纳米定位平台采用的控制器允许通过USB接口和模拟电压进行控制。并且两种控制方式可以进行切换,方便根据客户的应用和使用环境进行调整。
