
作者:维尔克斯 时间:2025-12-31 12:12:22
Laser Components推出的 SUR 系列探测器采用硅基“穿透式”结构设计,在紫外波段表现出极高的灵敏度。在荧光检测、分析仪器以及闪烁体测量等医疗与生物医学应用中,往往需要在短波长区域进行高灵敏探测,而SUR系列正是为此类需求而优化。依托其创新的穿透式结构,这款紫外增强型硅雪崩光电二极管在紫外波段兼具超高探测灵敏度与低噪声特性,能够满足对信噪比和稳定性要求严格的应用场景。其核心优势包括:紫外波段量子效率极高、噪声水平极低、500μm直径有效感光区域,以及UV优化的密封TO-46封装,确保在严苛应用中稳定运行。紫外增强雪崩光电二极管与UV波段敏感APD的核心优势在于其在蓝光波段具备极高的灵敏度与低噪声性能,显著优于目前市场上同类产品。SUR系列APD产品适用于高速光度测定等场景,其性能远超市场同类产品。
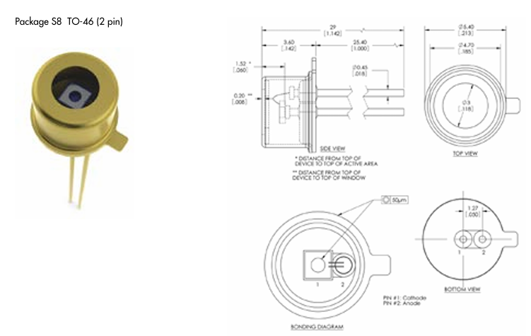
紫外增强雪崩光电二极管/UV波段敏感APD技术图表:
Laser Components紫外敏感APD产品特点:
紫外波段量子效率极高
低噪声特性
有效感光区域直径500微米
紫外优化型密封封装
SUR系列APD应用领域:
荧光检测
分析仪器
医疗设备
闪烁体测量
高速光度测定
SUR系列APD,SUR500绝对最大额定值:
|
参数 |
SUR500 |
||
|
最小值 |
典型值 |
最大值 |
|
|
存储温度(°C) |
-55 |
|
100 |
|
工作温度(°C) |
-40 |
|
85 |
|
CW反向电流(pA) |
|
|
200 |
|
1秒反向电流(mA) |
|
|
1 |
|
CW正向电流(mA) |
|
|
5 |
|
1秒正向电流(mA) |
|
|
50 |
|
最大功耗(mW) |
|
|
60 |
|
15秒焊接温度(°C) |
|
|
260 |
紫外增强雪崩光电二极管/UV波段敏感APD电气特性@M=100,Id=10μA:
|
参数 |
SUR500 |
||
|
最小值 |
典型值 |
最大值 |
|
|
波长范围(nm) |
260 |
|
1000 |
|
有效感光区域直径(mm) |
|
0.5 |
|
|
击穿电压(V) |
100 |
200 |
300 |
|
260/300/350/400/650nm响应度(A/W) |
|
21/22/25/28/44 |
|
|
280/300/350/400nm噪声等效功率(fW/√Hz) |
|
22/20/18/16 |
|
|
温度系数(V/K) |
|
0.9 |
|
|
暗电流(pA) |
|
200 |
|
|
噪声电流(pA/√Hz) |
|
0.5 |
|
|
电容(pF) |
|
1.4 |
|
|
@M=100,400nm,RL=50Ω上升时间(nsec) |
|
2 |
|
|
截止频率(MHz) |
|
150 |
|
Laser Components紫外敏感APD封装:
