
作者:维尔克斯 时间:2026-3-23 8:57:15
Optosigma大行程步进电机驱动式Z轴物镜驱动器SGSP‑OBL‑3,采用步进电机驱动方案,可灵活选配西格玛光机多款控制器。产品外形小巧、分辨率优异,非常适合与显微镜及自动对焦系统搭配使用,兼容正立型与倒立型显微镜。产品配有多款专用连接件,可便捷适配各类显微镜及物镜,Z轴物镜驱动器与显微镜、物镜组装使用时需搭配专用连接部件。该驱动器整步分辨率1μm,半步分辨率0.5μm,行程3mm,定位精度5μm,重复定位精度2μm,承载能力4.9N,最大运动速度1mm/s,运动平行度2μm,偏摆角度15″,详细参数可参见后文参数表格。
西格玛光机物镜聚焦驱动器SGSP-OBL-3技术指标:
|
项目 |
规格参数 |
|
型号 |
SGSP-OBL-3 |
|
行程 (mm) |
3 |
|
台面尺寸 (mm) |
(组装连接件) |
|
丝杠 (mm) |
精密研磨丝杠 直径 φ6 导程 0.5 |
|
导轨形式 |
十字交叉滚柱 |
|
主要材料 |
铝合金 |
|
表面处理 |
白色氧化 |
|
自重 (kg) |
0.4 |
|
分辨率 (μm/脉冲) |
整步:1 / 半步:0.5 |
|
最大速度 (mm/sec) |
1 |
|
定位精度 (μm) |
5 |
|
重复定位精度 (μm) |
2 |
|
承载能力 (N) |
4.9(0.5 kgf) |
|
扭矩刚度 (°/N·cm) |
— |
|
空行程 (μm) |
2 |
|
传动间隙 (μm) |
1 |
|
平行度 (μm) |
— |
|
运动平行度 (μm) |
2 |
|
倍率 (°) / 偏摆 (°) |
15 / 15 |
|
传感器型号 |
微型光电传感器:GP1S092HCPI(复普(株)) |
|
极限位置传感器 |
有(常闭) |
|
原点传感器 |
无 |
|
近接原点传感器 |
无 |
|
电机类型 |
5相步进电机 0.35A/相(ORIENTAL MOTOR(株)) |
|
电机型号 |
PK513PA-C21(□20mm) |
|
步距角 |
0.72° |
|
传感器电源电压 |
DC+5~+24V±10% |
|
消耗电流 |
40mA以下(单个传感器20mA以下) |
|
输出端电气特性 |
NPN集电极开路输出 DC30V以下 50mA以下 |
|
信号含义 |
遮光时:输出晶体管OFF(截止) |
|
推荐驱动器型号 |
SG-5MA, MC-S0514ZU, SG-514MSC |
|
推荐控制器型号 |
SHOT-702, GIP-101, SHOT-302GS, SHOT-304GS, HIT-M·HIT-S, PGC-04-U |
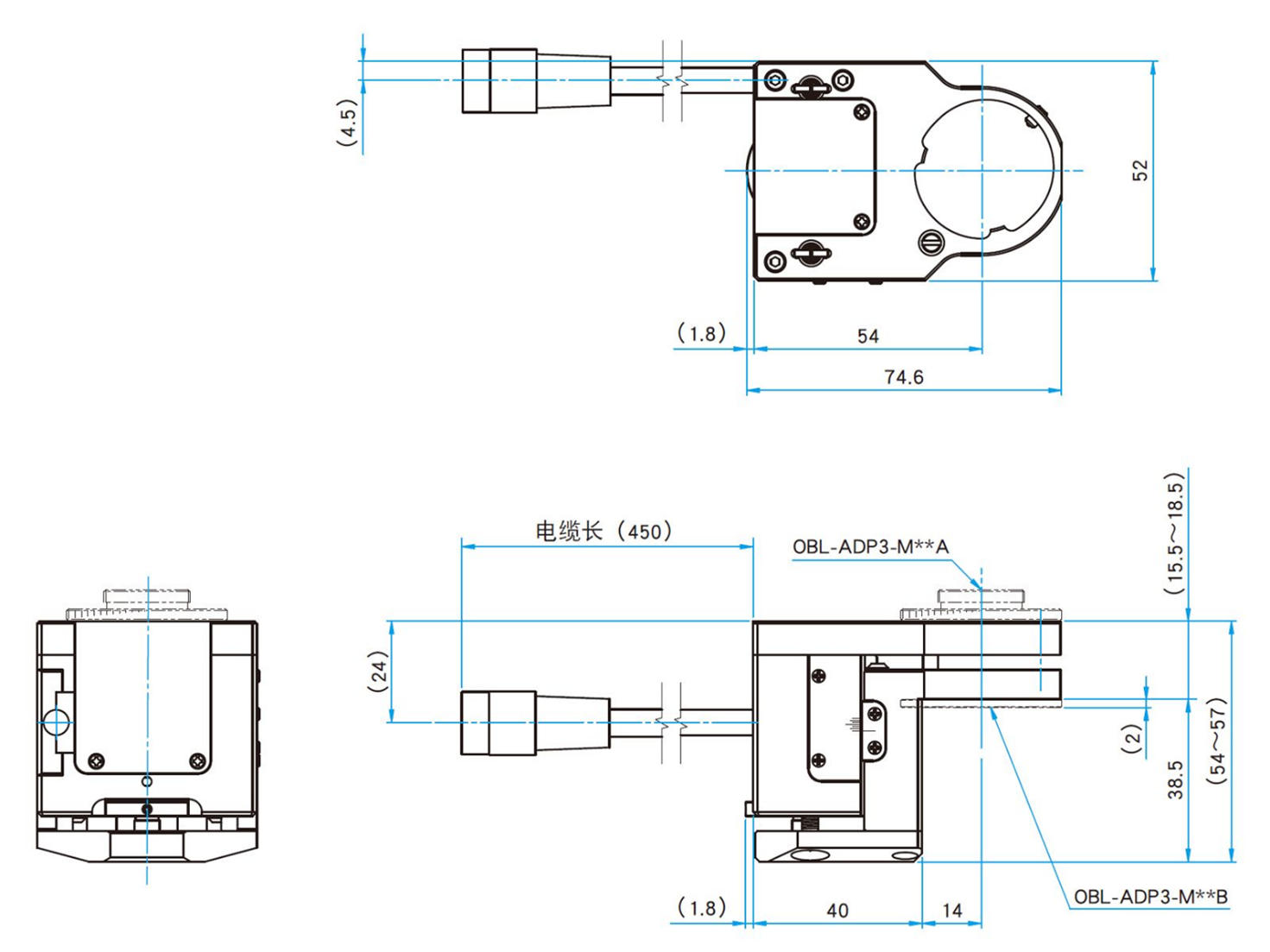
Optosigma/西格玛光机Z轴物镜驱动器,物镜聚焦驱动器SGSP-OBL-3外形图及接线图
西格玛光机/Optosigma Z轴物镜驱动器与控制器型号搭配