
作者:维尔克斯 时间:2025-4-11 10:34:27
德国owis公司的FRM 40系列电动滤光轮提供4夹具和6夹具两种型号。这种电动滤光片转轮在显微镜成像、荧光检测与分析、光谱分析等多种光学仪器中有着广泛的应用。其自动调节功能显著降低了用户手动调整光路的次数,从而使得光路搭建更加稳定。
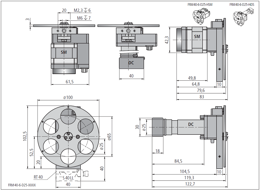
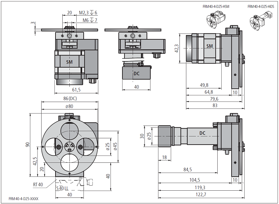
德国owis公司的FRM 40电动滤光轮允许4~6片滤光轮调换顺序,具体的情况取决于客户的调整。FRM 40电动滤光轮可以使用未安装的 ø 25 mm / 25.4 mm (1“) 滤光片或 ø 25 mm 安装座的光学元件。它们被粘在滤光片轮上。FRM 40滤光轮可以安装在 SYS 40 载物系统上。通过使用转接板,FRM 40滤光轮同样可以安装在 SYS 65 载物系统上。下面提供FRM 40电动滤光片转轮的型号的规格图纸以及电机电路图,方便客户进一步理解产品。德国owis公司的FRM 40电动滤光轮系列除了能在德国owis公司本身推出的SYS 40和SYS 65系统中使用,其标准规格的固定孔搭配转接件使其能够适应不同的光学系统。
DMT 40系列平台主要技术参数
电机类型
2相步进电机
直流伺服电机
旋转角度
无限制
速度
最大2600°/s
最大360°/s
齿轮转动比
2 : 1
齿轮减速
—
2401 :81
轴向跳动
<50um
每转动一次的脉冲步数
200(2相)
2000
设备重量
~0.5kg
工作温度
10℃~50℃
FRM 40参数指标与特点
德国owis公司的FRM 40电动滤光轮系列共有4种型号,FRM 40-4-D25-HSM;FRM 40-6-D25-HSM;FRM 40-4-D25-HiDS;FRM 40-6-D25-HiDS;用户可以根据自己的实际需求来进行选型FRM 40-4-D25-HSM和FRM 40-6-D25-HSM滤光片转轮为标准带2相步进电机的和霍尔效应参考开关。而FRM 40-4-D25-HiDS和FRM 40-6-D25-HiDS两款电动滤光轮在标准带2相步进电机的和霍尔效应参考开关之上添加了编码器,使得其重复精度更高。下面将FRM 40电动滤光片转轮系列的主要参数进行了整理,方便客户的选型和配置。
另外德国owis公司的FRM 40电动滤光轮搭配有滤光片固定夹具,可以对没有接口的滤光片进行安装。FRM 40-4-D25-HSM;FRM 40-6-D25-HSM;FRM 40-4-D25-HiDS;FRM 40-6-D25-HiDS这四款滤光片转轮的通孔规格都是相同的,用户可以将25mm直径的滤光片直接安装在转轮上,此外,用户也可以使用夹具来固定不同规格的滤光片。

