
作者:维尔克斯 时间:2025-6-27 12:03:25
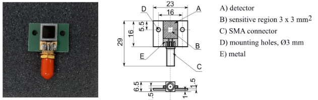
美国 Terasense 公司的太赫兹探测器,其核心部分是一块无源敏感晶体,被直接安置在芯片载体上,并且配备了 SMA 接口用于信号输出。这款探测器最关键的两大性能指标是它的响应速度以及探测灵敏度,这两者都会受到亚太赫兹(sub-THz)频率范围的影响。对于追求极快响应速度的太赫兹探测器来说,其运行速度主要取决于晶体的具体设计方案,因此 Terasense 提供了两种不同的版本:一种是超快速亚太赫兹探测器,另一种是快速亚太赫兹探测器。
Ultrafast Sub-THz detector和Fast Sub-THz detector的参数比较:
|
型号 |
Ultrafast Sub-THz detector |
Fast Sub-THz detector |
|
响应时间 |
150ps |
1μs |
|
频率范围 |
0.05 – 0.7 THz |
|
|
典型灵敏度 |
0.5 V/W |
10 V/W |
|
噪声等效功率 |
2 nW/√Hz |
1 nW/√Hz |
|
输出接口 |
SMA |
|
|
尺寸 |
23x29x6.5mm |
|
快速太赫兹检测器Fast Sub-THz detector的典型灵敏度为~10 V/W,电阻为10kOhm。其响应时间为~1μs,这是由探测器的电阻以及用于将探测器输出连接到测量设备的芯片载波和同轴电缆的电容决定。超快速太赫兹探测器Ultrafast Sub-THz detector的典型灵敏度为~0.5V/W,电阻为50OHm。超快速太赫兹探测器的响应时间小于150 ps,这种类型的探测器经过优化,可与具有50Ohm输入的测量设备配合使用。因此,我们建议更加注重灵敏度时使用Fast Sub-THz detector,而更加注重响应速度使用Ultrafast Sub-THz detector。
太赫兹探测器灵敏度与频率的关系:
单粒子探测器有两种版本:针对单频探测器或宽带探测器进行优化。快速和超快速探测器均可针对单频操作进行优化,也可以制造宽带版本。单频探测器安装在标准芯片载体上,如上图所示。其灵敏度具有振荡频率依赖性,其最大值由一组最小值分隔开,如下图所示。灵敏度最大值的位置可以通过改变敏感晶体的厚度来调整。半灵敏度最大值的全宽通常在 20-50GHz 左右。当只需要检测一个或两个频率的辐射时,我们建议使用此版本的探测器。
宽带探测器安装在带有透镜的芯片载体上。透镜充当半无限基底,可消除探测器中电磁波的干扰。因此,其灵敏度随频率变化呈单调性(见下图)。由于缺乏干扰,宽带探测器的灵敏度较低。透镜会从更大的区域收集辐射,因此,使用带透镜的探测器的成像装置的空间分辨率至少会降低两倍。如果需要检测多频率辐射,我们建议使用宽带探测器。由于这种探测器配有透镜,因此最适合在平行辐射束中工作。