

Analog Modules, Inc.在过去的三十多年里,专注于开发和制造用于半导体激光驱动器的真实电流源。该公司的SEED激光二极管驱动器为终端用户提供主动电流控制以及激光二极管的保护功能。
所属品牌:
负责人:包工
联系电话:13417596712 电子邮箱:cxbao@welloptics.cn
Seed Diode Drivers,用于驱动种子激光二极管的半导体激光驱动器
Analog Modules, Inc.在过去的三十多年里,专注于开发和制造用于半导体激光驱动器的真实电流源。该公司的SEED激光二极管驱动器为终端用户提供主动电流控制以及激光二极管的保护功能。Analog Modules, Inc为日益增多的二极管泵浦和直接输出激光二极管应用提供各种半导体激光管驱动器,如seed驱动器/SEED激光二极管驱动、SOA驱动、脉冲激光二极管驱动器、CW激光二极管驱动器、激光二极管控制器。
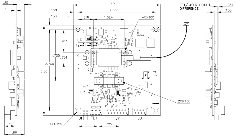
762型seed激光二极管驱动器图纸
种子激光二极管驱动器/半导体seed激光驱动器AMI
AMI提供一系列种子激光二极管驱动器/SEED激光二极管驱动,用于驱动光纤激光器应用中的种子激光二极管。这些seed驱动器可以为大多数1型蝶形封装供电。提供多种脉冲宽度、功率和控制选项。
AMI的762型OEM可编程种子激光二极管驱动器(泵浦激光二极管驱动器)非常适合驱动14引脚蝶形封装激光二极管模块,用于材料加工的CW或脉冲光纤MOPA系统、遥感的LIDAR系统、激光通信应用和测距。
763型OEM种子激光二极管驱动器作为一个前置放大器(模拟电压输入,按比例电流输出)实现。驱动电路采用5 V单电源供电。所有其他所需的电压都由高效率开关电源在半导体激光管驱动器电路板上产生。
766A 型AMI种子激光二极管驱动提供用户可调的脉宽能力,在输出电流高达 2.5 A 时,脉宽低至<150 ps,最高可达 1 ns。半导体激光管驱动器驱动电路采用 5 V 单电源供电。所有其他所需的电压都由高效率开关电源在电路板上产生。
上述三个AMI种子激光二极管驱动均为双向比例-积分-微分(PID)热电冷却器控制器(TEC)供电,电流能力为3 A,电压能力为4.2 V。
AMI 销售的用于 OEM 生产的大多数种子激光二极管驱动都是定制的,以满足最终用途的要求。如果有需要请联系我们,讨论您的应用程序的具体要求。
种子激光二极管驱动器型号
|
Model |
Pulse Rate |
峰值电流 |
脉宽 |
特征 |
负载电压max |
|
762 |
Up to 10 MHz |
2.5 A |
20 ns~CW |
快速上升时间/紧凑/RoHS/TEC控制器 |
10.0 VDC |
|
763 |
Up to 50 MHz |
1.2 A |
10 ns~CW |
快速上升时间,TEC 控制器 RoHS |
3.0 VDC |
|
766A |
Up to 1 MHz |
2.5 A |
<150ps~>850 ps |
2 A 时光脉冲宽度低至 128 ps |
10.0 VDC |
|
767 |
Up to 1 MHz |
3.0 A |
150ps~750 ps |
接受具有各种引脚配置的常见封装 |
10.0 VDC |
|
7612A |
Up to 50 MHz |
1.2 A |
6 ns~CW |
SOA驱动器,适合驱动SOA或BOA模块 |
3.0 VDC |
以762型半导体seed激光驱动器AMI为例,输出电流高达2.5安培,输出脉冲宽度20纳秒至连续波,合规电压至10V,板载脉冲发生器,数字或模拟控制,输入电源+5VDC,符合RoHS标准。
762型种子激光二极管驱动器参数
|
参数 |
Min. |
Typical |
Max. |
Min. |
Typical |
Max. |
Units |
|
输入 |
|||||||
|
功率(Driver and TEC) |
4.75 |
5.0 |
5.25 |
4.75 |
5.0 |
5.25 |
VDC |
|
电流 (Driver and TEC) |
- |
0.330 |
3.5 |
- |
0.330 |
3.5 |
A |
|
功率 (Laser) |
3.0 |
5.0 |
12 |
3.0 |
5.0 |
12 |
VDC |
|
电流(Laser)(Laser dependent) |
- |
- |
2.5 |
- |
- |
2.5 |
A |
|
控制电压(50Ω Impedance) |
- |
N/A |
- |
0 |
- |
2.5 |
V |
|
输出 |
|||||||
|
电流 |
0.1 |
- |
2.5 |
0.1 |
- |
2.5 |
A |
|
顺从电压 |
- |
2.0 |
10.0 |
- |
2.0 |
10.0 |
V |
|
脉宽 |
20 |
- |
CW |
20 |
- |
CW |
ns |
|
重复率 |
Single |
- |
10 |
Single |
10 |
MHz |
|
|
占空比 |
0 |
- |
100 |
0 |
- |
100 |
% |
|
上升时间(Optical) @2 A |
10 |
15 |
10 |
15 |
ns |
||
|
下降时间 (Optical)@2 A |
- |
10 |
- |
10 |
- |
ns |
|
|
Analog Back Facet Monitor |
0 |
- |
3.7 |
0 |
3.7 |
V |
|
|
TEC 电压 |
0 |
4.2 |
0 |
I |
4.2 |
V |
|
|
TEC 电流 |
0 |
3.0 |
0 |
3.0 |
A |
seed激光二极管驱动器电路由单个+5V电源供电。通过高效开关电源在板上产生额外的电压。激光功率输入可以低至+3V,以牺牲开关速度为代价节约功率。输入激光功率也可以增加到+12V,以提高高电感激光器的开关速度。对于大多数应用,激光功率可以连接到seed激光二极管驱动器+5 V电源,或通过外部开关作为额外的安全联锁。板载现场可编程门阵列(FPGA)被编程以处理通信、修改可调特性,并向主机系统提供外部标志和信号。FPGA还包含一个具有许多可编程功能的综合脉冲生成系统。还可以通过使用多匝电位计进行模拟操作并提供外部TTL触发脉冲来进行调整,因此不需要串行接口。包含图形用户界面(GUI)程序,便于从PC进行控制和编程。驱动器提供双向比例积分微分(PID)热电冷却器(TEC)控制器,电流能力为3A,电压能力为4.2V。
762-EXTseed激光二极管驱动器适用于那些需要灵活控制激光电流、想要调制电流或以任意波形、具有可变上升/下降时间的脉冲或修改脉冲平坦度来驱动激光的人。此操作模式需要校准为1 a/V的外部控制电压,并且禁用电位计和激光电流的数字控制。该板是按照指令2002/95/EC要求制造的符合RoHS标准的组件。每个单元都配有安装到外部散热器的散热器适配器板和所有必需的配套电缆。