

LASER COMPONENTS推出的多通道LiTaO₃热释电探测器,是为高精度气体分析应用量身定制的专业解决方案。该探测器采用先进的电流模式工作,并集成了TFC(温度波动补偿)技术,以确保在复杂环境下的测量稳定性。其标准滤光片中心波长覆盖2.95至10.6μm,具备高达1.2×10⁵ V/W的响应度和5×10⁸ Jones的优异比探测率。产品系列提供双通道(L12/L22)、三通道(L13/L23)及四通道(L14/L24)多种配置。其多色高温版本通过集成带通滤波器,可精确匹配CO₂、CO等目标气体的特征吸收谱线。此外,模块化设计、光学盲元及微降噪处理技术共同保障了产品的长期可靠性与稳定性,使其成为NDIR气体分析、火焰探测和非接触测温等应用的理想选择。
所属品牌: Laser Components GmbH
负责人:包工
联系电话:13417596712 电子邮箱:cxbao@welloptics.cn
多通道LiTaO3热释电探测器,最高响应度达1.2×105V/W,D*达5×10⁸Jones
LASER COMPONENTS的多通道热释电探测器具有高响应度,高比探测率的特点,主要用于气体分析。除参考滤光片外,每个多通道钽酸锂探测器测量通道通过集成带通滤波器调谐至气体吸收谱线。LASER COMPONENTS公司提供多种适用于气体分析(如CO₂、CO、NO₂、SO₂及碳氢化合物)和参考用途的多色红外钽酸锂探测器。多通道热释电探测器典型配置滤光片波长范围2.95-10.6μm,响应度高达1.2×10⁵V/W,比探测率达5×10⁸Jones。
LC多色红外钽酸锂热释电探测器双通道型号数据规格表:
|
参数 |
L1200D1810 |
L2200D1810 |
|
元件尺寸(mm) |
1.8×1.0 |
1.8×1.0 |
|
孔径尺寸(mm) |
2.7×1.8 |
2.7×1.8 |
|
封装形式 |
TO-39 4pin |
TO-39 4pin |
|
吸收层材料 |
有机黑色涂层 |
有机黑色涂层 |
|
反馈电阻(GΩ) |
27 |
100 |
|
放大器类型 |
Op-Amp 7 |
Op-Amp 7 |
|
供电电压(V) |
1.8-5.5(推荐3V) |
1.8-5.5(推荐3V) |
|
响应度(V/W) |
最小值25000/典型值35000 |
最小值60000/典型值120000 |
|
比探测率D*(Jones) |
最小值2×10⁸/典型值3×10⁸ |
最小值3×10⁸/典型值5×10⁸ |
|
噪声密度(μV/√Hz) |
最大值20 |
最大值50 |
|
等效噪声功率(W/√Hz) |
最大值4×10⁻¹⁰ |
典型值3.85×10⁻¹⁰ |
|
输出极性 |
负向 |
负向 |
-该系列多色红外钽酸锂探测器孔径尺寸大小取决于所选择的滤光片/窗口片
-该系列多通道高温热释电探测器比探测率D为未使用滤光片/窗口片的数据
LC多色红外钽酸锂热释电探测器四通道型号数据规格表:
|
参数 |
L1410D2020 |
L2410D2020 |
|
元件尺寸(mm) |
2.0×2.0 |
2.0×2.0 |
|
孔径尺寸(mm) |
直径3.5 |
直径3.5 |
|
封装形式 |
TO-8 |
TO-8 |
|
吸收层材料 |
有机黑色涂层 |
有机黑色涂层 |
|
反馈电阻(GΩ) |
27 |
100 |
|
放大器类型 |
Op-Amp 7 |
Op-Amp 7 |
|
供电电压(V) |
±0.9-±2.75(推荐±2.5V) |
±0.9-±2.75(推荐±2.5V) |
|
响应率(V/W)2 |
最小值40000/典型值45000 |
最小值90000/典型值110000 |
|
比探测率D*(Jones) |
最小值3×10⁸/典型值3.8×10⁸ |
最小值5×10⁸/典型值6×10⁸ |
|
噪声密度(μV/√Hz) |
最大值30 |
最大值65 |
|
等效噪声功率(W/√Hz) |
N/A |
N/A |
|
输出极性 |
负向 |
负向 |
-该系列多色红外钽酸锂探测器孔径尺寸大小取决于所选择的滤光片/窗口片
-该系列多通道高温热释电探测器比探测率D为未使用滤光片/窗口片的数据,带宽为10Hz。
|
参数 |
最小值 |
最大值 |
|
ALT31/ALUT31 |
||
|
存储温度℃ |
-25 |
+60 |
|
工作温度℃ |
-20 |
+85 |
|
焊接温度℃ |
+280 |
+300 |
|
ESD损坏阈值,HBM等级(V) |
0 |
<250 |
-LC多色红外钽酸锂热释电探测器绝对最大额定值
多通道与单通道电流模式探测器遵循相同基本原理,该模式多通道热释电探测器极易集成至系统,其便捷程度堪比即插即用。LASER COMPONENTS现有产品线包括:L12与L22系列多色红外高温热释电探测器,该系列多通道钽酸锂探测器为带滤波器的双通道探测器,型号L1200D1810、L2200D1810。其中响应度最高典型值达1.2×105V/W,比探测率最高典型值5×10⁸Jones;L13与L23系列的多通道钽酸锂探测器为带滤波器的三通道探测器为最紧凑的型号,采用TO-39封装;L14与L24系列多色红外热释电探测器为带滤波器的四通道探测器(L1410D2020、L2410D2020),响应度最高典型值达1.1×105V/W,比探测率最高典型值8×10⁸Jones该系列多色红外热释电探测器采用电流模式工作并集成运算放大器。所有L12与L22多色红外高温热释电探测器均通过光学盲元设计,配备TFC(温度波动补偿)功能。而L14与L24系列多通道高温热释电探测器未配备TFC功能。
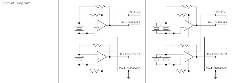
与单通道热释电探测器不同,多通道热释电探测器具有更多的输出端,对应更多的放大电路,其输出端的数量代表该探测器的通道数量。同理会匹配相应数量的孔径,孔径可用于配备滤光片,不同滤光片对应不同的中心波长可用于探测不同的气体、火焰、气体混合物等。滤光片的中心波长涵盖的范围可达2.95-10.6μm。下图为四通道探测器与双通道探测器。
多通道LiTaO3热释电探测器特点:
-多色红外高温热释电探测器的任何被吸收的辐射均可产生信号
-多通道热释电探测器覆盖紫外至长波红外的宽光谱范围
-模块化设计理念
-标配微降噪处理
-所有的多色红外热释电探测器通过ISO:9001认证的设施组装
多通道LiTaO3热释电探测器应用:
-非分散红外气体分析
-非接触式温度测量
-火焰探测
-氢火焰探测
多通道LiTaO3热释电探测器的滤光片中心波长透过率曲线:
LC多色高温LiTaO3热释电探测器技术图纸:
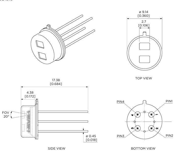
LC多色高温LiTaO3热释电探测器,双通道L1200D1810/L2200D1810型号
LC多色高温LiTaO3热释电探测器,四通道L1410D2020/L2410D2020型号