

Eksma紧凑型激光衰减器990-0076(通光孔径10毫米)适用于线性偏振激光,能够抑制90°的光束偏差。
所属品牌: EKSMA Optics
负责人:陈工
联系电话:13418906712 电子邮箱:chenpeng@welloptics.cn
紧凑型可变衰减器990-0076,通光孔径10mm,用于线性偏振激光
Eksma紧凑型激光衰减器990-0076(通光孔径10毫米)适用于线性偏振激光,能够抑制90°的光束偏差。紧凑型可变激光衰减器(紧凑型激光分束镜)集成高性能偏振立方体分光镜,紧凑型可变激光衰减器(紧凑型激光分束镜)还可实现 >1:1000 偏振收缩 (Ts/Tp)。
功率可变衰减器标准品
|
功率可变衰减器波长,nm |
紧凑型激光分光器LIDT |
紧凑型激光分光器标准品型号 |
|
343 |
3 J/cm² @ 355 nm, 10 Hz, 10 ns |
990-0076-343 |
|
355 |
3 J/cm² @ 355 nm, 10 Hz, 10 ns |
990-0076-355 |
|
515 |
6 J/cm² @ 532 nm, 10 Hz, 10 ns |
990-0076-515 |
|
532 |
6 J/cm² @ 532 nm, 10 Hz, 10 ns |
990-0076-532 |
|
1030 |
15 J/cm² @ 1030 nm, 10 Hz, 10 ns |
990-0076-1030 |
|
1064 |
15 J/cm² @ 1064 nm, 10 Hz, 10 ns |
990-0076-1064 |
功率可调激光衰减器实物图
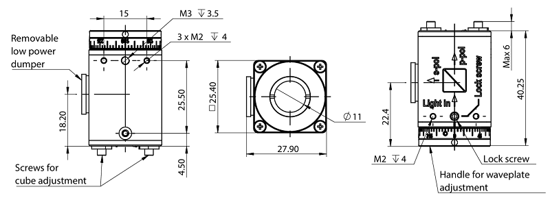
紧凑型可变激光衰减器(紧凑型激光分束镜)包含高性能偏振立方体分束器,该紧凑型激光分光镜以 90° 反射 s 偏振光,紧凑型激光分光镜同时透射 p 偏振光。EKSMA OPTICS紧凑型激光衰减器990-0076可旋转的 λ/2 波片放置在入射偏振激光束中,紧凑型激光分光镜通过旋转半波片,紧凑型激光分束器可以连续改变两个出射光束的强度比,紧凑型激光分束器而不会改变其他光束参数。紧凑型激光分束器可以在宽动态范围内控制任一出射光束的强度或它们的强度比。立陶宛EKSMA可变激光衰减器990-0076还可以选择纯p偏振以获得最大透射率,或EKSMA OPTICS紧凑型激光衰减器990-0076纯 s 偏振以获得最大反射率。
功率可调激光衰减器实物图
立陶宛EKSMA可变激光衰减器990-0076特点
- 激光功率衰减器反射光束的衰减范围:2% – 99.9%
- 激光功率衰减器透射光束的衰减范围:0.1% – 98%
- 激光功率衰减器反射光束和透射光束之间有方便的 90° 角
- 可调功率激光衰减器出口处无光束偏移
功率可调激光衰减器实物图3
立陶宛EKSMA可变激光衰减器990-0076规格
|
可调功率激光衰减器通光孔径直径 |
10mm |
|
可调功率激光衰减器偏振对比度 |
>1:1000 |
|
功率可变衰减器重量 |
0.1 kg |
EKSMA OPTICS紧凑型激光衰减器990-0076实物图4
紧凑型激光分光器图纸